Published:2009/7/20 22:04:00 Author:Jessie | From:SeekIC

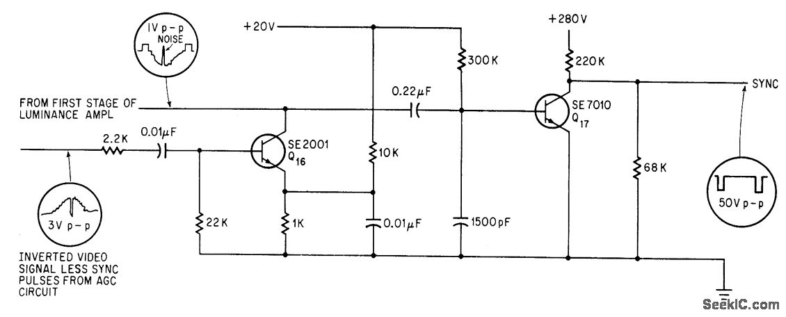
Trcansistorized version eliminates noise from horizontal sync pulses and isolates sync +tom video information. Noise theshold is established by voltage divider in emitter circuit of Q16.-D. Bray, Solid State Makes Debut in Big-Screen Color Tv, Electronics, 39:8, p 99-105.
Reprinted Url Of This Article:
http://www.seekic.com/circuit_diagram/Electrical_Equipment_Circuit/COLOR_SYNC_SEPARATOR.html
Print this Page | Comments | Reading(3)
Code: