Published:2009/7/23 23:47:00 Author:Jessie | From:SeekIC

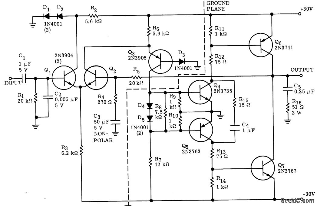
Use of direct coupling eliminates transformers. For d-c loads, C1 and C3 must be shorted. Will drive 20 V rms into 40-ohm load, giving 10 W. Voltage gain is 37 db and power gain is 60 db.-N. Freyling, High Performance All Solid-State Servo Amplifiers, Motorola Application Note AN-225, Jan. 1966
Reprinted Url Of This Article:
http://www.seekic.com/circuit_diagram/Electrical_Equipment_Circuit/COMPLEME_NTARY_TRANSISTOR_SERVO_AMPLIFIER.html
Print this Page | Comments | Reading(3)
Code: