Published:2011/8/11 20:36:00 Author:Ecco | Keyword: Chicks , hatched informing device | From:SeekIC

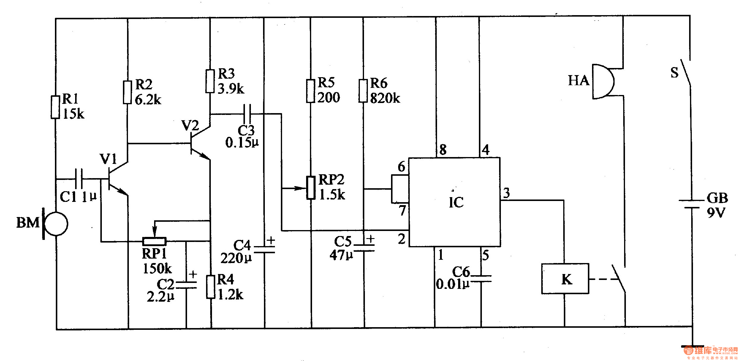
The chicks hatched informing device circuit is composed of the sonic amplifier circuit, monostable delay circuit and alarm circuit, and it is shown in Figure 4-14. Sonic amplifier circuit consists of the microphone amplifier BM, resistors Rl-R4, capacitors Cl, C2, potentiometer RPl and transistors Vl, V2. Monostable delay circuit consists of the time-base lC, resistors R5, R6, potentiometer RP2 and capacitors C3-C5. Alarm circuit consists of the relay K and buzzer HA. Rl-R6 select the 1/4W metal film resistors or carbon film resistors. RPl and RP2 use the small solid potentiometer or WSW solid variable resistor.
Reprinted Url Of This Article:
http://www.seekic.com/circuit_diagram/Electrical_Equipment_Circuit/Chicks_hatched_informing_device_2.html
Print this Page | Comments | Reading(3)
Code: