Published:2011/8/11 20:45:00 Author:Ecco | Keyword: Chicks , hatched informing device | From:SeekIC

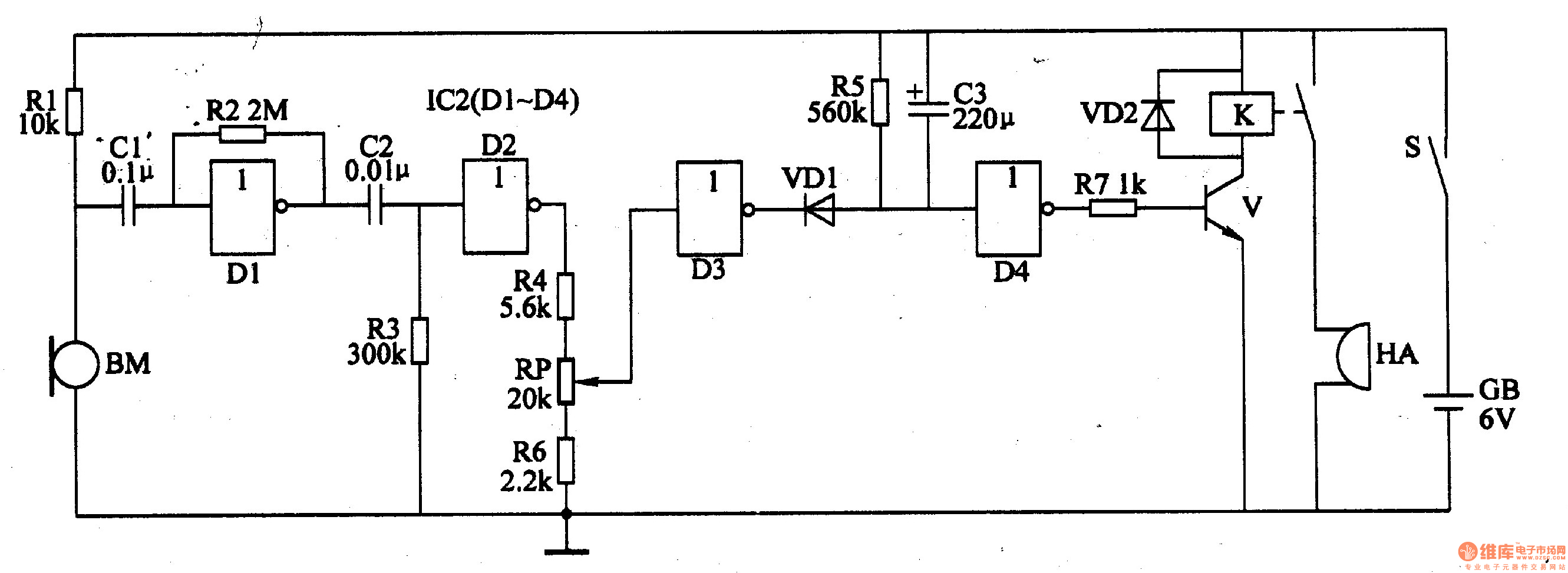
The chicks hatched informing device circuit is composed of the sonic circuit, delay circuit and alarm circuit and other components, and it is shown in Figure 4-15. Sonic circuit consists of the microphone BM, NOT gate circuits D1, D2 which are inside of NOT gate IC (Dl-D4), resistors Rl-R4, R6, potentiometer RP and capacitors Cl, C2 and so on. Delay circuit consists of resistor R5, capacitor C3, diode VDl and NOT gate circuits D3, D4 which are inside of NOT gate IC. Alarm circuit consists of the relay K, diode VD2, transistor V, resistor R7 and buzzer HA. Rl-R7 select the 1/4W metal film resistors or carbon film resistors. RP uses the small synthetic membrane potentiometer or variable resistor.
Reprinted Url Of This Article:
http://www.seekic.com/circuit_diagram/Electrical_Equipment_Circuit/Chicks_hatched_informing_device_3.html
Print this Page | Comments | Reading(3)
Code: