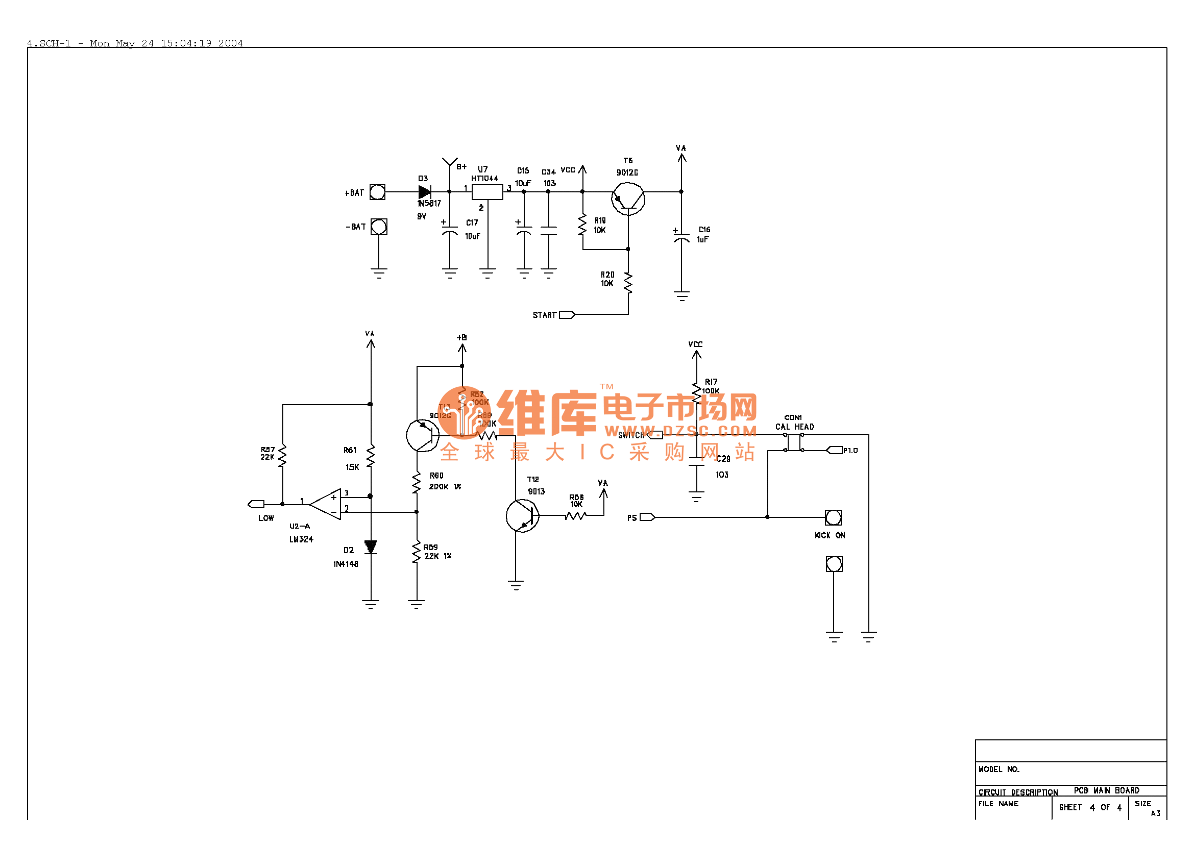
Published:2011/6/30 21:49:00 Author:zj | Keyword: fat analyzer, page _4 | From:SeekIC

Reprinted Url Of This Article:
http://www.seekic.com/circuit_diagram/Electrical_Equipment_Circuit/Circuit_diagram__fat_analyzer_circuit_diagram___page__4.html
Print this Page | Comments | Reading(3)
Code: