Published:2009/7/24 4:53:00 Author:Jessie | From:SeekIC

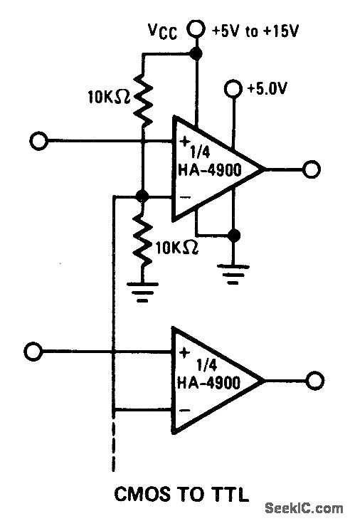
Fig. 15-33 This circuit is similar to that of Fig. 15-32, except that the interface is from CMOS to TTL. Harris Semiconductor linear & Telecom ICs 1991, p. 4-29.
Reprinted Url Of This Article:
http://www.seekic.com/circuit_diagram/Electrical_Equipment_Circuit/Comparator_logic_level_translator_CMOS_to_TTL.html
Print this Page | Comments | Reading(3)
Code: