Published:2009/7/23 22:33:00 Author:Jessie | From:SeekIC

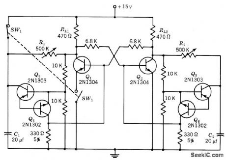
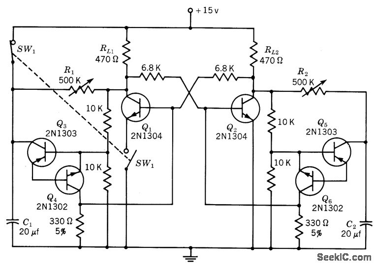
Each output may be controlled separately. With stable power-supply voltage and constant ambient temperature, accuracy of 0.1% may be expected with this type of repeating timer. Switch is shown in off position, Load resistors RL1 and RL2 can be replaced with 500-ohm relay coil shunted by 1N2069 diode. -Texas Instruments Inc., Transistor Circuit Design, McGraw-Hill, N.Y., 1963, p 414.
Reprinted Url Of This Article:
http://www.seekic.com/circuit_diagram/Electrical_Equipment_Circuit/DUAL_OUTPUT_FREE_RUNNING_TIMER.html
Print this Page | Comments | Reading(3)
Code: