Published:2009/7/24 20:43:00 Author:Jessie | From:SeekIC

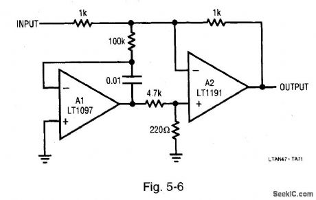
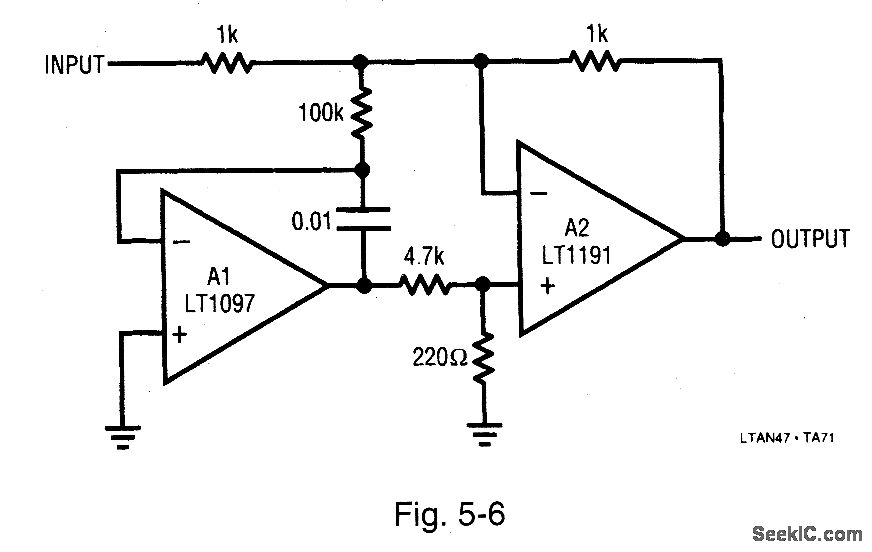
Figure 5-6 shows a circuit where the precision offset of a dc amplifier (LT1097) is combined with the bandwidth of a fast device (LT1191) to provide a dc stabilized, wideband amplifier. The LT1097 monitors the summing node (the two 1-kΩ resistors), compares the node to ground, and drives the LT1191 noninverting input. The resulting circuit is a unity-gain inverter with 35-μV offset, 1.5-V/℃ drift, 450-V/μs slew rate, and 90-MHz bandwidth. Bias current, dominated by the LT1191, is about 500 nA. LINEAR TECHNOLOGY, APPLICATION NOTE 47, P. 33.
Reprinted Url Of This Article:
http://www.seekic.com/circuit_diagram/Electrical_Equipment_Circuit/Dc_stabilization_using_a_summing_point.html
Print this Page | Comments | Reading(3)
Code: