Published:2011/8/8 3:39:00 Author:Ecco | Keyword: Digital lock | From:SeekIC

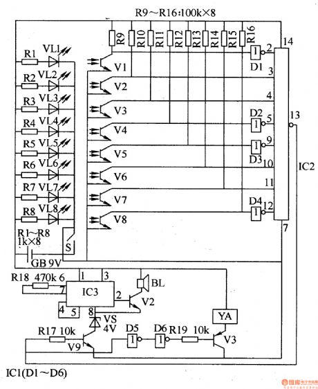
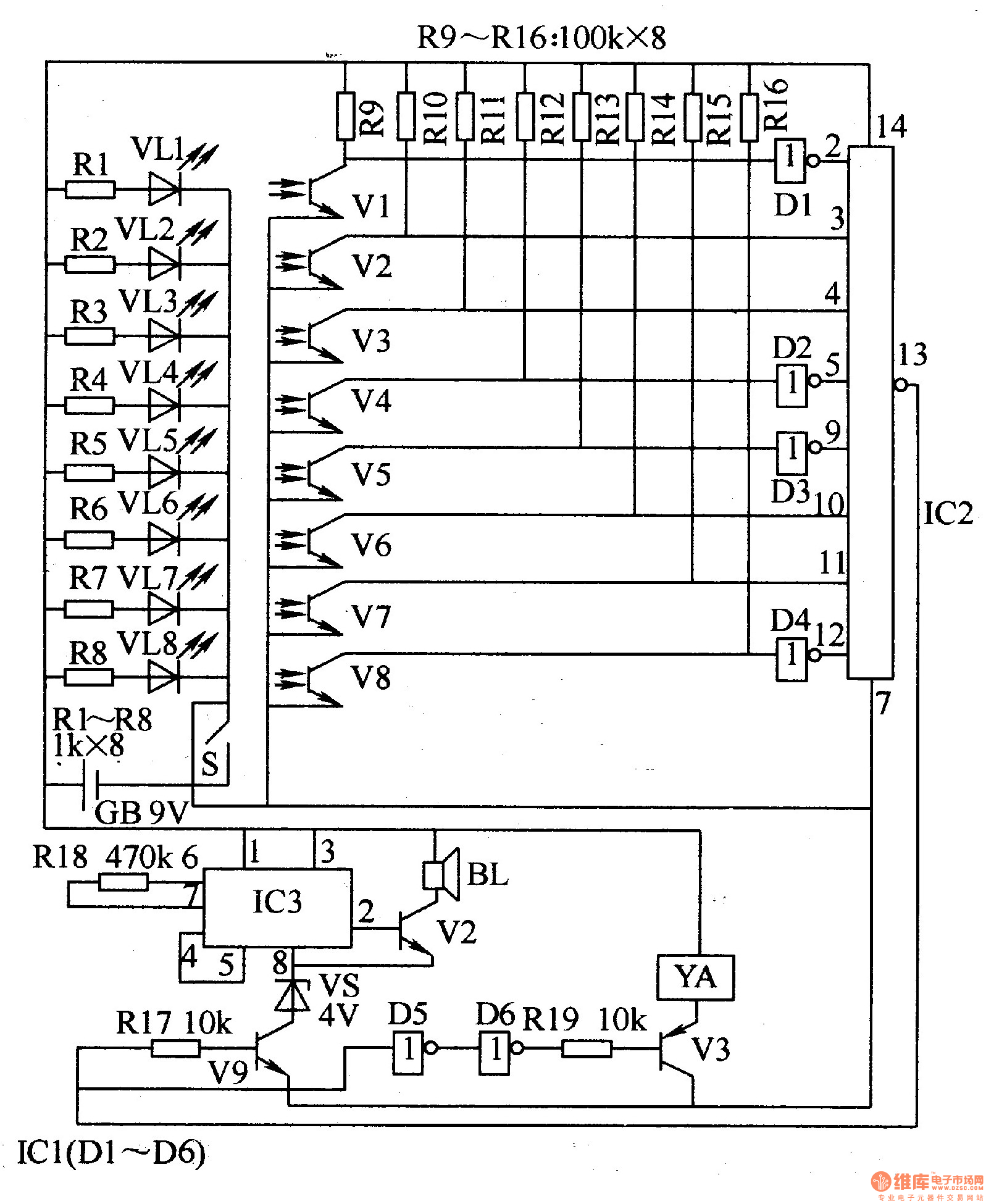
The digital lock circuit consists of the optical switch circuit, trigger, sound and alarm circuit and solenoid drive circuit, and it is shown in Figure 3-100. Photoelectric switch circuit consists of the light-emitting diodes VLl-VL8, phototransistors Vl-V8 and resistors Rl-R16. Trigger circuit consists of the Dl-D4 which are inside of six NOT gate integrated circuit ICl (Dl-D6) and eight-input NAND gate IC lC2. Sound and alarm circuit is composed of the integrated circuit IC3, transistors V9, VlO, voltage regulator diode VS, speaker BL and resistors R17, Rl8.
Reprinted Url Of This Article:
http://www.seekic.com/circuit_diagram/Electrical_Equipment_Circuit/Digital_lock_3.html
Print this Page | Comments | Reading(3)
Code: