Published:2011/8/8 2:21:00 Author:Ecco | Keyword: Digital lock | From:SeekIC

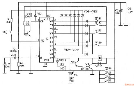
The digital lock circuit is composed of the input control circuit, reset circuit, counter / divider circuit and control implementation circuit, and it is shown in Figure 3-102. The input control circuit is composed of password buttons S1, S2, S5, S8, S9 and diodes VD3-VDl4, resistor R1 and so on. Count / divider circuit consists of IC and transistor Vl, resistors R2, R3, diode VDl. Reset circuit consists of capacitors Cl, C2, diodes VD2, VDl5, resistors R4, R5 and buttons S3, S4, S6, S7. Control implementation circuit is composed of transistors V2, V3, light-emitting diode VL, resistors R6, R7, relay (or electric lock) K and diode VDl6.
Reprinted Url Of This Article:
http://www.seekic.com/circuit_diagram/Electrical_Equipment_Circuit/Digital_lock_5.html
Print this Page | Comments | Reading(3)
Code: