Published:2011/8/8 2:26:00 Author:Ecco | Keyword: Digital lock | From:SeekIC

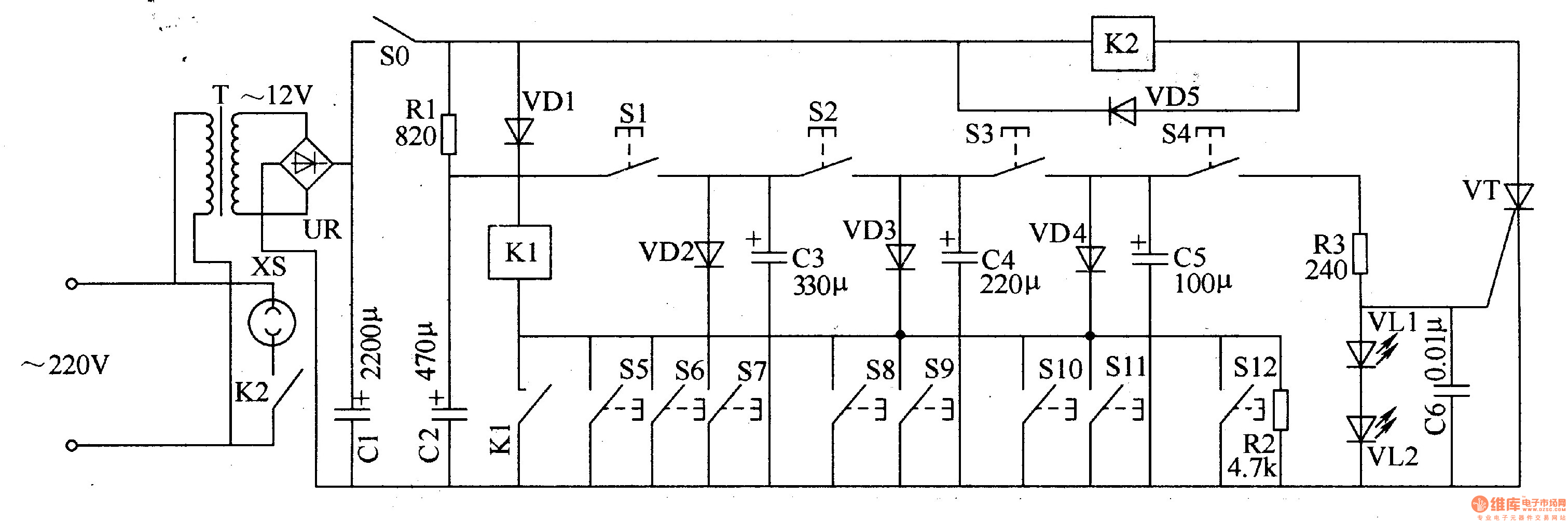
The digital lock circuit is composed of the power switch SO, power transformer T, bridge rectifier UR, relays Kl, K2, password buttons Sl-Sl2, transistors VT, LED VLl, VL2, diodes VD1-VD4, resistors R1 -R3 and capacitors Cl-C6, and it is shown in Figure 3-103. Rl-R3 use the 1/4W carbon film resistors or metal film resistors. Cl-C4 select ultra small aluminum electrolytic capacitors with the voltage in 16V; C5 uses the monolithic capacitor. VD1-VD4 are choose 1N4148 silicon switch diode; VD5 uses the lN4007 silicon rectifier diode.
Reprinted Url Of This Article:
http://www.seekic.com/circuit_diagram/Electrical_Equipment_Circuit/Digital_lock_6.html
Print this Page | Comments | Reading(3)
Code: