Published:2011/8/8 3:18:00 Author:Ecco | Keyword: Digital lock | From:SeekIC

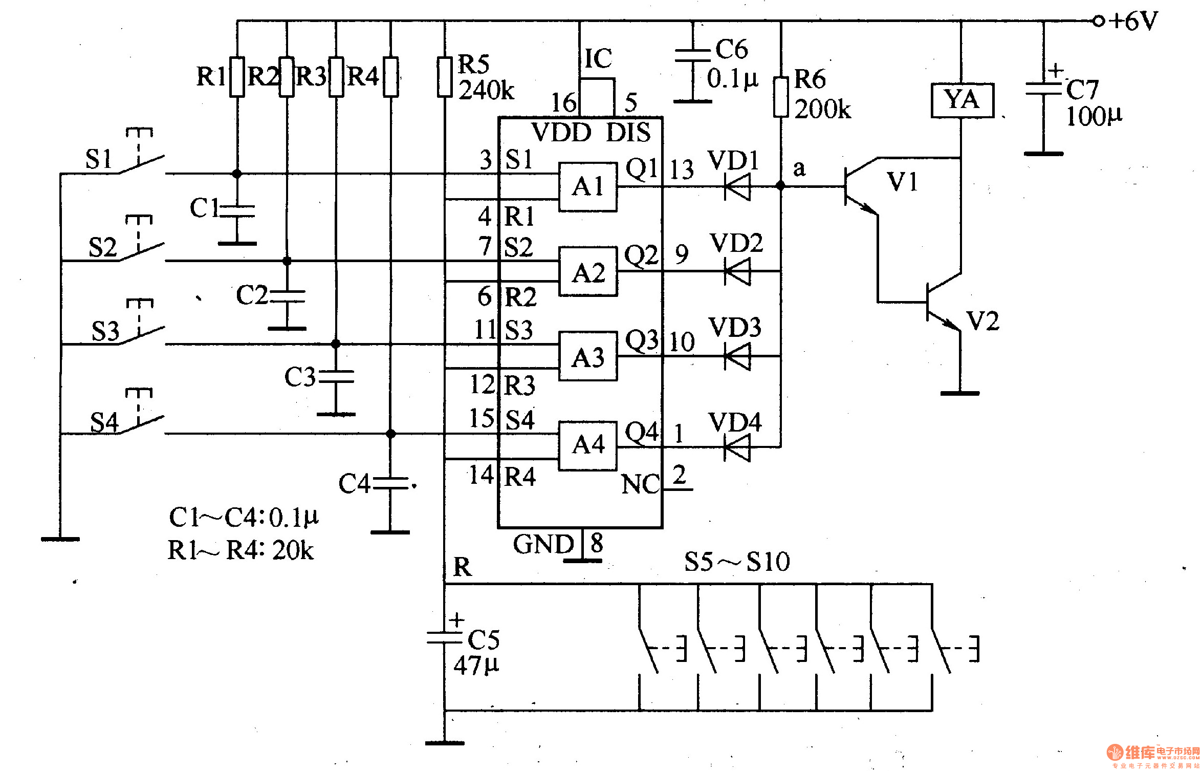
The digital lock circuit is composed of the password input control circuit and control implementation circuit, and it is shown in Figure 3-105. Password input control circuit is composed of the password buttons S1-S10 (S1-S4 are valid passwords, S5-S10 are invalid passwords), R-S flip-flop IC lC, resistors R1-R5 and capacitors Cl-C5. Control implementation circuit consists of the diodes VDl-VD4, resistor R6, transistors Vl, V2, and solenoid YA. C6 and C7 use the power filter capacitors. Rl-R6 select the 1/4W carbon film resistors or metal film resistors.
Reprinted Url Of This Article:
http://www.seekic.com/circuit_diagram/Electrical_Equipment_Circuit/Digital_lock_8.html
Print this Page | Comments | Reading(3)
Code: