Published:2009/7/25 0:13:00 Author:Jessie | From:SeekIC

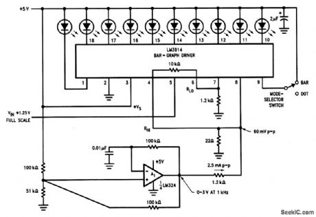
With this circuit, each of 10 LEDs has a fully on and a partially on mode, making 20 states discernible. This is accomplished by the LM324 (operating as a 1-kHz oscillator) driving a 60-mV pp signal into pin 8 of the LM3914.
Reprinted Url Of This Article:
http://www.seekic.com/circuit_diagram/Electrical_Equipment_Circuit/Dithering_bar_graph_display.html
Print this Page | Comments | Reading(3)
Code: