Published:2011/4/24 20:48:00 Author:Christina | Keyword: Op Amp, High-performance Amplifier | From:SeekIC

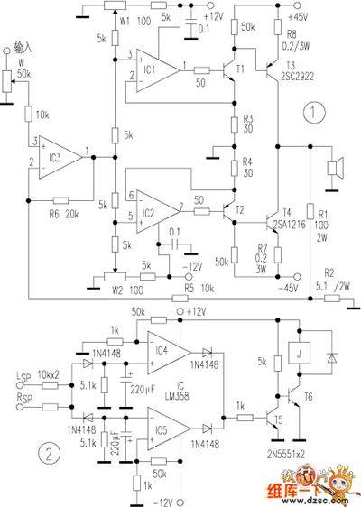
Conventional op amp drive amplifier' power is difficult to expand because of the limit of op amp voltage. This power amplifier uses the Voltage switching current mode to drive the tube amplifier directly, so the output power depends on final amplifier tube and amplifier power, and the speaker has no on / off shock noise. The whole device does not add any compensation capacitor, so the phase shift is small. And this device uses the op amp as the constant current amplifier, so we can change different op amps easily, there are more choices of Timbre.
The op amp uses the ne5532 or ad827 dual op amp, t1, t2 use the medium power transistor 2sb647, 2sd667, and the final amplifier tube are the sanken tube 2sc2922, 2sa1216 or 2sc3281, 2sa1302, and the resistance uses the 1/4w metal film resistor.
Reprinted Url Of This Article:
http://www.seekic.com/circuit_diagram/Electrical_Equipment_Circuit/Driven_by_Op_Amp_High_performance_Amplifier_Circuit.html
Print this Page | Comments | Reading(3)
Code: