Published:2009/7/23 1:32:00 Author:Jessie | From:SeekIC

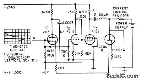
Uses combination of tubes and solid-stctte thyrairon to generate single pulse up to 100 ump with duration of several millisec, for testing detonators, primers, squibs, and explosive switches.-V. W. Goldie, R. G. Amicone, and C. T. Davey, Generating Pulses With Solid. State Thyratrons, Electronics, 32;33, p 70.
Reprinted Url Of This Article:
http://www.seekic.com/circuit_diagram/Electrical_Equipment_Circuit/ELECTRO_EXPLOSIVE_DEVICE_TESTER.html
Print this Page | Comments | Reading(3)
Code: