Published:2009/7/20 21:01:00 Author:Jessie | From:SeekIC


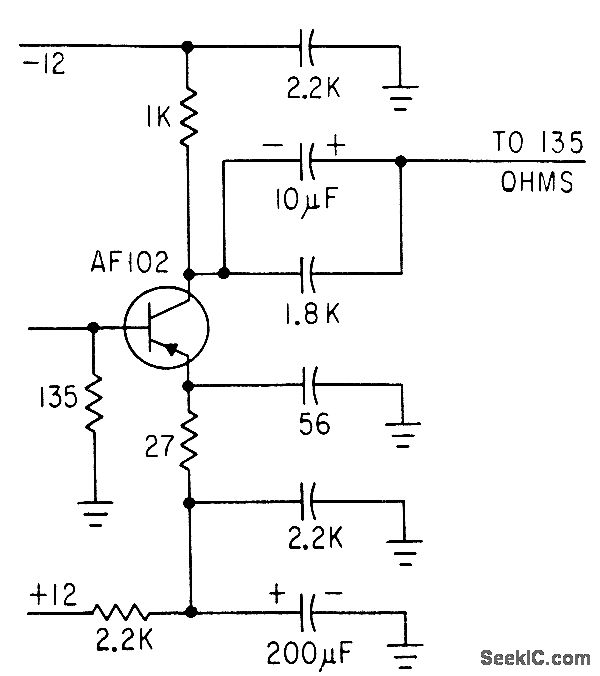
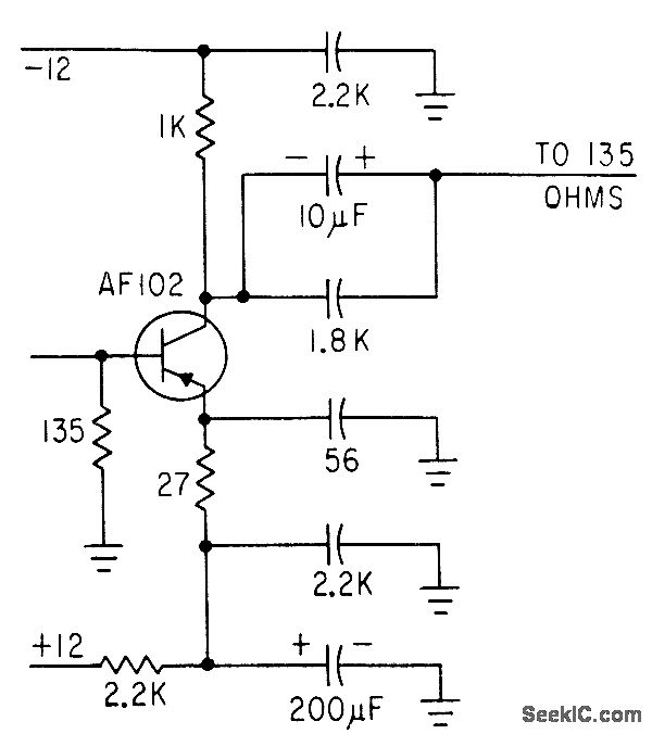
Four identical AF102 stages amplify pulse output of delta modulator in tv waveguide link.-C. Kramer and J. C. Balder, Delta-Modulated Television Waveguide Link, Electronics, 36:31, p 50-52.
Reprinted Url Of This Article:
http://www.seekic.com/circuit_diagram/Electrical_Equipment_Circuit/EMITTER_FEEDBACK_PEAKING_GIVES_100_MC_BANDWIDTH.html
Print this Page | Comments | Reading(3)
Code: