Published:2009/7/23 22:37:00 Author:Jessie | From:SeekIC

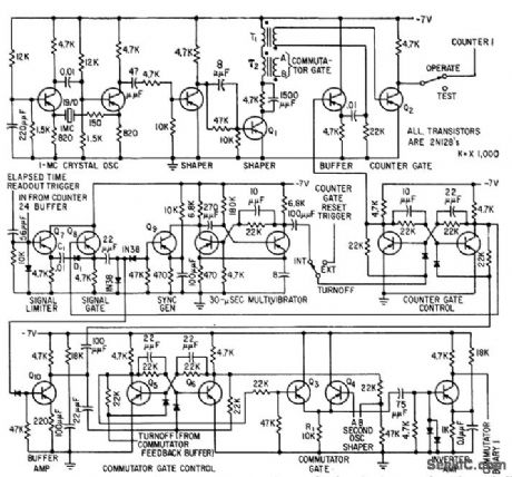
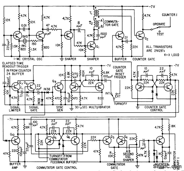
Used to trigger 24 elapsed-time counters until end of storage period, for storing and reading out elapsed time between consecutive but randomly occurring events. Gates are designed to maintain amplitude of trigger pulse above half the supply voltage over wide temperature range.-R. J. Kelso and J. C. Groce, Encoder Measures Random Event Time Intervals, Electronics, 32:12, p 48-51.
Reprinted Url Of This Article:
http://www.seekic.com/circuit_diagram/Electrical_Equipment_Circuit/ENCODER_OSCILLATOR.html
Print this Page | Comments | Reading(3)
Code: