Published:2011/8/5 1:50:00 Author:Ecco | Keyword: Eggs hatching incubator | From:SeekIC

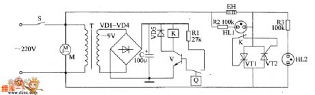
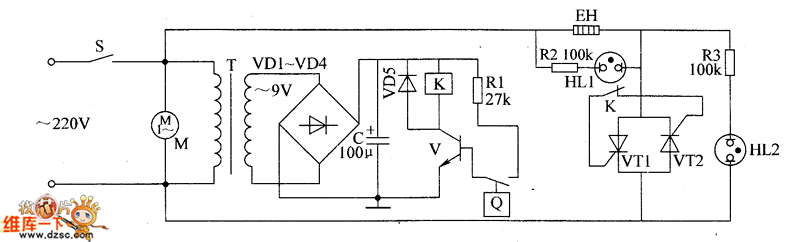
The eggs hatch incubator circuit is composed of the power supply circuit, temperature detection control circuit and indication circuit, and it is shown as the chart. Power supply circuit is composed of the power switch S, power transformer T, rectifier diodes VD1 ~ VD4 and filter capacitor C. Temperature detection control circuit is composed of electric hot thermometer Q, resistor R1, transistor V, Relay K, diode VD5, thyristors VT1, VT2 and fan motor M. Indicating circuit consists of resistors R2, R3 and neon lights HL1, HL2.
Reprinted Url Of This Article:
http://www.seekic.com/circuit_diagram/Electrical_Equipment_Circuit/Eggs_hatching_incubator_circuit_diagram_1.html
Print this Page | Comments | Reading(3)
Code: