Published:2011/4/2 4:26:00 Author:may | Keyword: Electrical pulse treatment | From:SeekIC

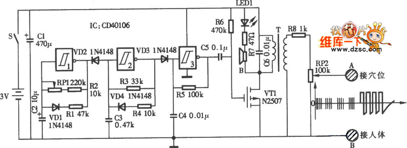
Electrical pulse treatment circuit is shown in the diagram:
Reprinted Url Of This Article:
http://www.seekic.com/circuit_diagram/Electrical_Equipment_Circuit/Electrical_pulse_treatment_circuit.html
Print this Page | Comments | Reading(3)
Code: