Published:2011/5/26 4:25:00 Author:Lucas | Keyword: Electronic QN | From:SeekIC

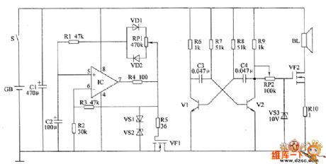
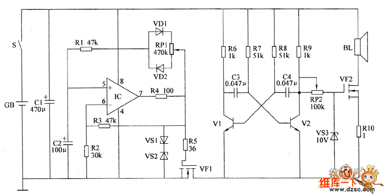
The electronic QN circuit is composed of the rectangular wave generator, electronic switching circuit, self-excited multivibrator and audio driver amplifier circuit, the circuit is shown as the chart. Rectangular wave generator circuit consists of operational amplifier integrated circuit IC, resistors R1 ~ R4, potentiometer RP1, diodes VD1, VD2, voltage regulator diode sVS1, VS2 and capacitor C2. Electronic switch circuit is composed of the field-effect transistor VF1, resistor R5 and VS1, VS2. Self-excited multivibrator by the transistors V1, V2, resistors R6 ~ R9 and capacitors C3, C4 composition. Audio driver amplifier consists of potentiometer RP2, voltage regulator diode VS3, resistor R1O, field-effect transistor VF2 and speaker BL.
Reprinted Url Of This Article:
http://www.seekic.com/circuit_diagram/Electrical_Equipment_Circuit/Electronic_QN__circuit_diagram_4.html
Print this Page | Comments | Reading(3)
Code: