Published:2011/8/29 3:15:00 Author:Lucas | Keyword: Electronic ballast , fluoresent lamp | From:SeekIC

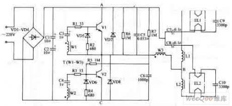
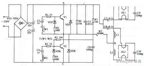
The electronic ballast circuit for fluorescent lamp is composed of the rectifier filter circuit, high-frequency oscillator circuit and output circuit. In the circuit, the rectifier filter circuit consists of the rectifier diodes VD1- VD4 and filter capacitors C1, C2; high-frequency oscillator consists of the transistors vi, V2, resistors R1-R7, capacitors C3, C4, C6, diodes VD5- VD8 and high frequency transformer T (W1-W3 are wound on the same magnetic ring to form a high-frequency transformer); output circuit is composed of the chokes L1, L2 and capacitors C1-C10.
Reprinted Url Of This Article:
http://www.seekic.com/circuit_diagram/Electrical_Equipment_Circuit/Electronic_ballast_circuit_diagram_for_fluoresent_lamp.html
Print this Page | Comments | Reading(3)
Code: