Published:2011/6/10 10:06:00 Author:Lucas | Keyword: Electronic , pests killing lamp | From:SeekIC

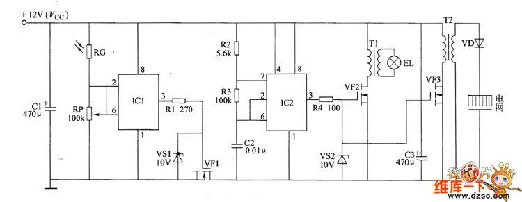
The electronic pests killing lamp circuit consists of the light control switch circuit, multivibrator, black light lamp drive circuit and high-voltage generator circuit, and the circuit is shown as the chart. Light control switch circuit consists of the photosensitive resistor RC, time-base integrated circuit IC1, potentiometer RP, resistor R1, Zener diode VS1 and field-effect transistor VF1. Multivibrator is composed of the time-base integrated circuit IC2, resistors R2, R3 and capacitor C2. Black light driver circuit consists of the resistor M, voltage regulator diode VS2, field-effect transistor YF2, pulse transformer T1 and black light EL. High-voltage generator circuit consists of the R4, VS2, and field-effect transistors VF3, high-voltage rectifier diode VD, and step-up transformer T2.
Reprinted Url Of This Article:
http://www.seekic.com/circuit_diagram/Electrical_Equipment_Circuit/Electronic_pests_killing_lamp_circuit_diagram_1.html
Print this Page | Comments | Reading(3)
Code: