Published:2011/6/10 10:32:00 Author:Lucas | Keyword: Electronic , pests killing lamp | From:SeekIC

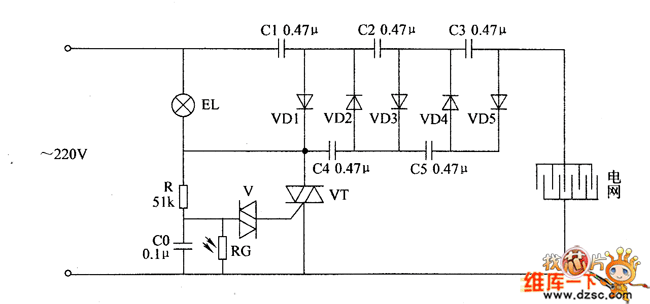
The electronic pests killing lamp circuit consists of the light control switch circuit and voltage doubling rectifier circuit, and the circuit is shown as the chart. Light control switch circuit is composed of the photoresistor RC, capacitor CO, lamp EL, resistor R, bidirectional trigger diode V and thyristor VT. Doubler rectifier circuit consists of the capacitors C1 ~ C5 and rectifier diodes VD1 ~ VD5. R uses 1W metal film resistor; RG uses the MOL series of photosensitive resistor, and the light resistance should be less than or equal to 3KΩ and dark resistance be greater than or equal to 5MΩ. CO selects polyester capacitor with the voltage being 160V ; C1 ~ C5 select the high-voltage paper capacitors or CBB capacitors with the voltage being 600V. VD1 ~ VD5 use 1N4007 silicon rectifier diodes. V uses DB3 or 2CTS series of bidirectional trigger diode. VT uses 3CTS3/600V or TCL336A (3A, 600V) bidirectional thyristor. EL chooses 3W white cold cathode lamp.
Reprinted Url Of This Article:
http://www.seekic.com/circuit_diagram/Electrical_Equipment_Circuit/Electronic_pests_killing_lamp_circuit_diagram_2.html
Print this Page | Comments | Reading(3)
Code: