Published:2011/6/10 11:11:00 Author:Lucas | Keyword: Electronic , pests repeller | From:SeekIC

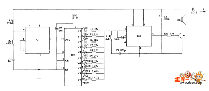
The electronic insect circuit is composed of the clock oscillator, counter, multivibrator and the audio output circuit, and the circuit is shown as the chart. The clock oscillator consists of the time-base IC IC1 and related peripheral components. The circuit can generate 1Hz clock signal, which is output form the pin 3 of IC1 and directly added to the pin 14 of IC2 (CLK). Multivibrator IC3 consists of the time-base IC IC3 and related peripheral components. It is used to produce 23 ~ 64kHz ultrasonic signals. Counter is composed of the integrated circuit IC2, diodes VD1 ~ VD10 and many RC components. All resistors use 1/4W carbon film resistors. C1 ~ C3 select the aluminium electrolytic capacitor with the withstand voltage being 16V; C4 uses ceramic capacitors. VD1 ~ VD11 select 1N4148 switching diodes; VD12 uses 1N4007 rectifier diode. IC1 and IC3 choose NE555 time-base integrated circuits.
Reprinted Url Of This Article:
http://www.seekic.com/circuit_diagram/Electrical_Equipment_Circuit/Electronic_pests_repeller_circuit_diagram_2.html
Print this Page | Comments | Reading(3)
Code: