Published:2009/7/23 23:29:00 Author:Jessie | From:SeekIC

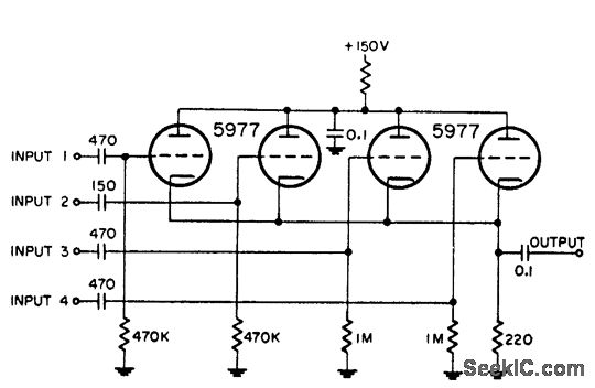
Used for combining four different positive-polarity marker pulses in radar system.-NBS, Handbook Preferred Circuits Navy Aeronautical Electronic Equipment, Vol. 1, Electron Tube Circuits, 1963, p N4-1.
Reprinted Url Of This Article:
http://www.seekic.com/circuit_diagram/Electrical_Equipment_Circuit/FOUR_INPUT_VIDEO_MIXER.html
Print this Page | Comments | Reading(3)
Code: