Published:2009/7/20 21:00:00 Author:Jessie | From:SeekIC

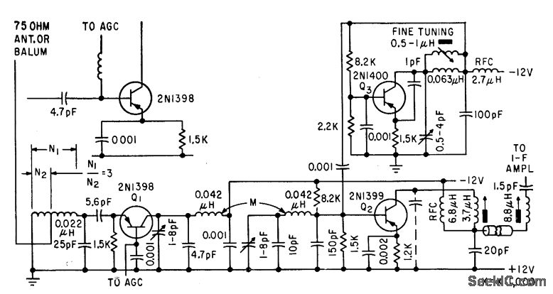
Diffused-base mesa transistors permit design of tv tuners with noise performance equal to that of tube tuners. Article gives complete design procedure for r-f amplifier, mixer, and oscillator stages.-H. F. Cooke, Designing Tv Tuners with Mesa Transistors, Electronics, 33:15, p 64-69.
Reprinted Url Of This Article:
http://www.seekic.com/circuit_diagram/Electrical_Equipment_Circuit/FOUR_TRANSISTOR_T_U_N_E_R.html
Print this Page | Comments | Reading(3)
Code: