Published:2009/7/20 21:58:00 Author:Jessie | From:SeekIC

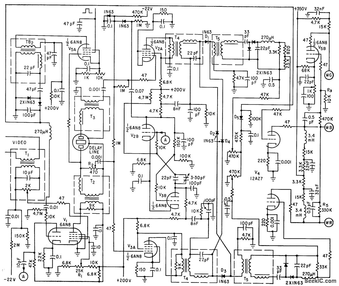
SECAM system uses time multiplexing of two chrominance signals, transmitted sequentially, with one-line memory in receiver circuit.-R. Chaste, P. Cassagne, and M. Colas, Sequential Receivers for French Color Tv System, Electronics, 33:19, p 57-60.
Reprinted Url Of This Article:
http://www.seekic.com/circuit_diagram/Electrical_Equipment_Circuit/FRENCH_COLOR_TV_CHROMINANCE.html
Print this Page | Comments | Reading(3)
Code: