Published:2009/7/14 8:05:00 Author:May | From:SeekIC

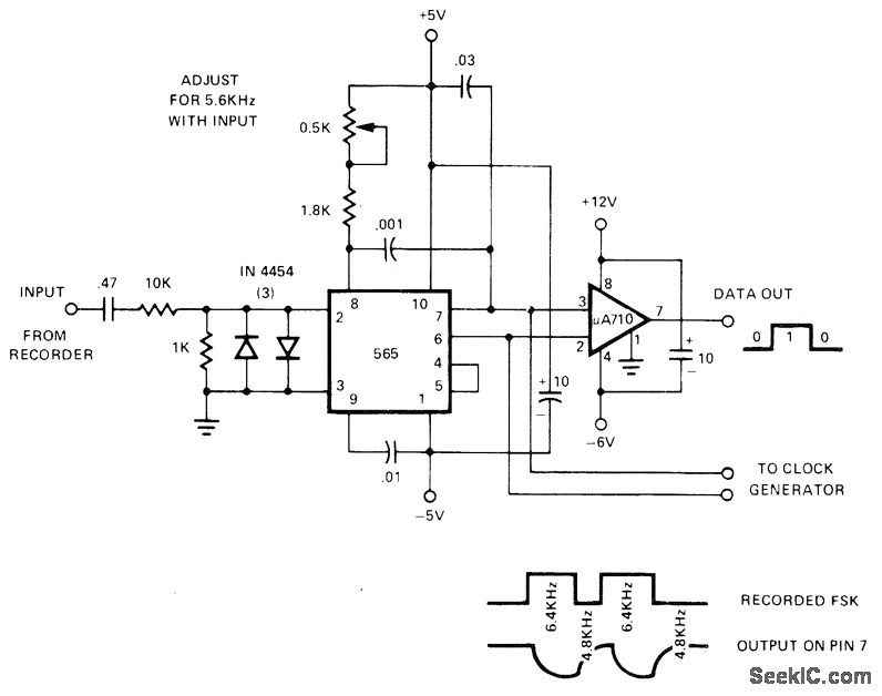
Connection shown for 565 PLL provides data output of 1 for 6.4 kHz and 0 for 4.8 kHz from ordinary cassette tape recorder having frequency response to 7 kHz. Report gives circuit of suitable recorder using return-to-zero FSK. System also requires 800-Hz clock generator for synchronizing to data. Up to seven 0s can occur in succession without making clock go out of sync. Odd parity is used.- Signetics Analog Data Manual, Signetics, Sunnyvale, CA, 1977, p 857-859.
Reprinted Url Of This Article:
http://www.seekic.com/circuit_diagram/Electrical_Equipment_Circuit/FSK_DETECTOR_FOR_CASSETTE_RECORDED_DATA.html
Print this Page | Comments | Reading(3)
Code: