Published:2011/4/14 3:05:00 Author:Ecco | Keyword: Feiyue , computerized , microwave circuit | From:SeekIC

Reprinted Url Of This Article:
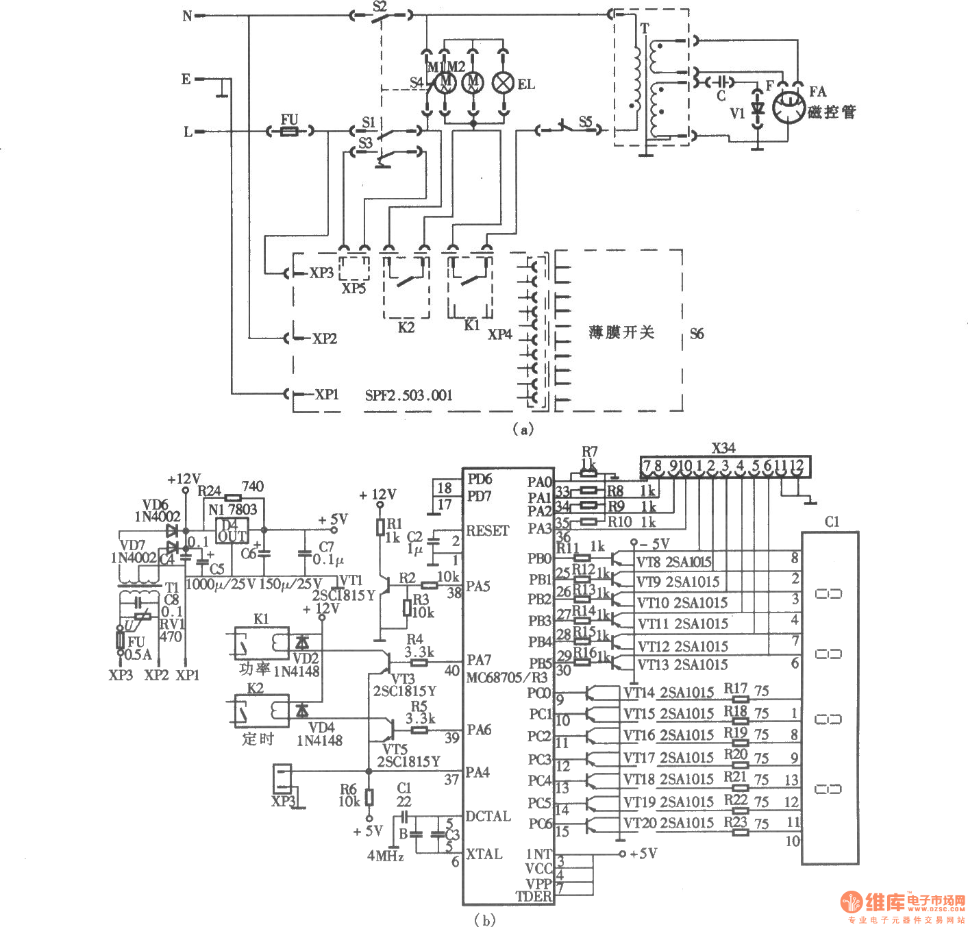
http://www.seekic.com/circuit_diagram/Electrical_Equipment_Circuit/Feiyue_WP_600_computerized_microwave_circuit.html
Print this Page | Comments | Reading(3)
Code: