Published:2009/7/21 22:36:00 Author:Jessie | From:SeekIC

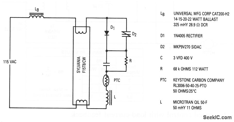
This circuit shows a solid-state fluorescent-lamp starter that uses a SIDAC. In this circuit, the ballast is identical to that used with a conventional glow-tube starter.
Reprinted Url Of This Article:
http://www.seekic.com/circuit_diagram/Electrical_Equipment_Circuit/Fluorescent_starter.html
Print this Page | Comments | Reading(3)
Code: