Published:2009/7/20 22:11:00 Author:Jessie | From:SeekIC

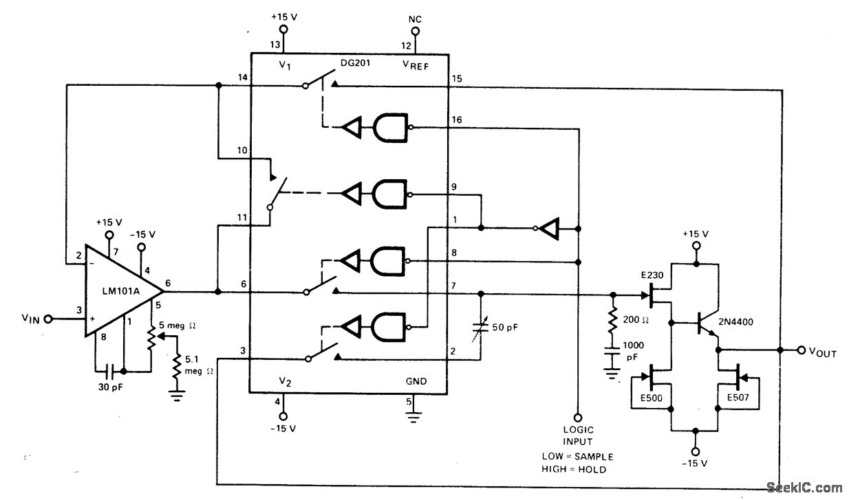
Fourth section of DG201 quad CM0S analog switch provides cancellation of coupled charges (glitches), to keep sample-and-hold offset below 5 mV over analog voltage range of -10 V to +10 V. Acquisition time is 25μs for opamp shown but can be im-proved by using faster-slewing opamp. Aperture time is typically 1 ps- Analog Switches and Their Applications, Silliconix, Santa Clara,CA,1976,p 7-68.
Reprinted Url Of This Article:
http://www.seekic.com/circuit_diagram/Electrical_Equipment_Circuit/GLITCH_CANCELLATION.html
Print this Page | Comments | Reading(3)
Code: