Published:2009/7/20 21:12:00 Author:Jessie | From:SeekIC

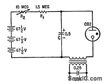
Supplies pulses that drive heart at desired rate. Output is connected to heart muscles by small wires. Frequency of relaxation oscillator is controlled, between 50, and 200 ppm, by R2.-L. D. Trump and R. L. Skinner, Simple Heart Pacer is Highly Reliable, Electronics, 32:39, p 92-93.
Reprinted Url Of This Article:
http://www.seekic.com/circuit_diagram/Electrical_Equipment_Circuit/HEART_PACER.html
Print this Page | Comments | Reading(3)
Code: