Published:2009/7/23 23:21:00 Author:Jessie | From:SeekIC

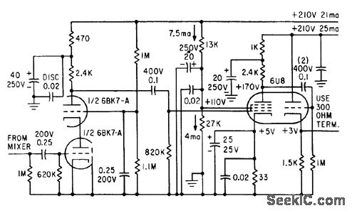
Used in microwave interferometer system when additional gain is required along with 3.Mc bandwidth.-H. L. Bunn, Determining Electron Density and Distribution in Plasmas, Electronics, 34:14, p 71-75.
Reprinted Url Of This Article:
http://www.seekic.com/circuit_diagram/Electrical_Equipment_Circuit/HIGH_GAIN_VIDEO_PREAMP.html
Print this Page | Comments | Reading(3)
Code: