Published:2009/7/24 3:35:00 Author:Jessie | From:SeekIC

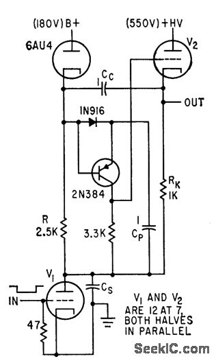
Speed is increased because Cc does not have to supply charging current for Cs, but only current re quired by grid leak resistor; this is small, so Cc can be small und easily recharged during quiescent period.-F. C. Creed, Hybrid Bootstrap Circuits Increase Sweep linearity, Electronics, 34:31, p 46-48.
Reprinted Url Of This Article:
http://www.seekic.com/circuit_diagram/Electrical_Equipment_Circuit/HIGH_SPEED_HYBRID_BOOTSTRAP.html
Print this Page | Comments | Reading(3)
Code: