Published:2009/7/23 22:18:00 Author:Jessie | From:SeekIC

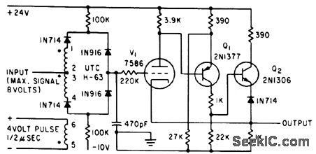
Provides time selection and storage of waveforms, as required for radar mti, sensing elements of tracking radars, and gated agc. Power drain is negligible except for 7586 nuvistor filament power of about 1 W.-A. G. Lloyd, Half-Bridge Inverter Provides Economical Three-Phase Power, Electronics, 34:37, p 62-65.
Reprinted Url Of This Article:
http://www.seekic.com/circuit_diagram/Electrical_Equipment_Circuit/HYBRID_GERMANIUM_BOXCAR.html
Print this Page | Comments | Reading(3)
Code: