Published:2009/7/20 20:33:00 Author:Jessie | From:SeekIC

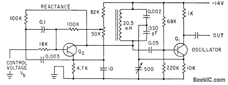
D-c bias of inductive-reactance transistor Q2 is controlled by modulating voltage from oscillator Q1.-Y. Fujimura and N. Mil, Automatic Frequency Control with Reactance Transistors, Electronics, 33:40, p 97-99.
Reprinted Url Of This Article:
http://www.seekic.com/circuit_diagram/Electrical_Equipment_Circuit/INDUCTIVE_TRANSI_STOR_SYNC_LOCK.html
Print this Page | Comments | Reading(3)
Code: