Published:2009/7/22 4:23:00 Author:Jessie | From:SeekIC

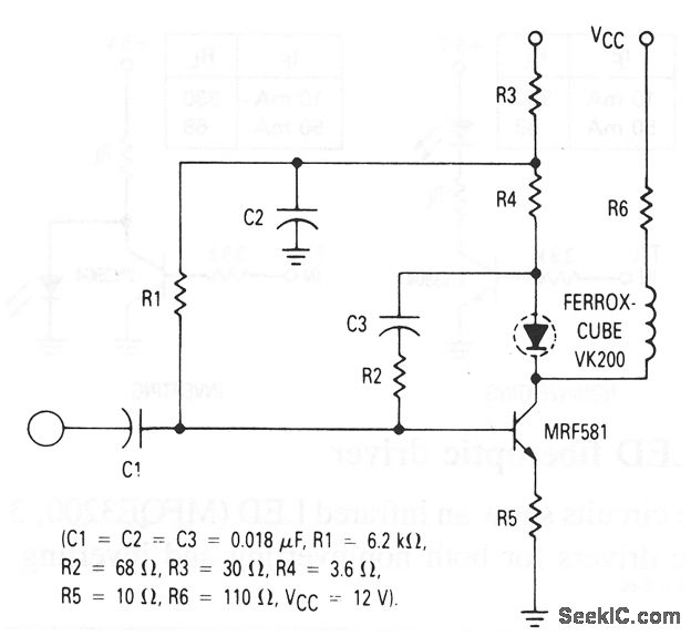
This circuit shows an infrared LED (MFOE3200, 3201, 3202) that is used as a fiberoptic driver at frequencies up to 100 MHz.
Reprinted Url Of This Article:
http://www.seekic.com/circuit_diagram/Electrical_Equipment_Circuit/Infrared_LED_fiberoptic_driver.html
Print this Page | Comments | Reading(3)
Code: