Published:2009/6/22 23:02:00 Author:Jessie | From:SeekIC

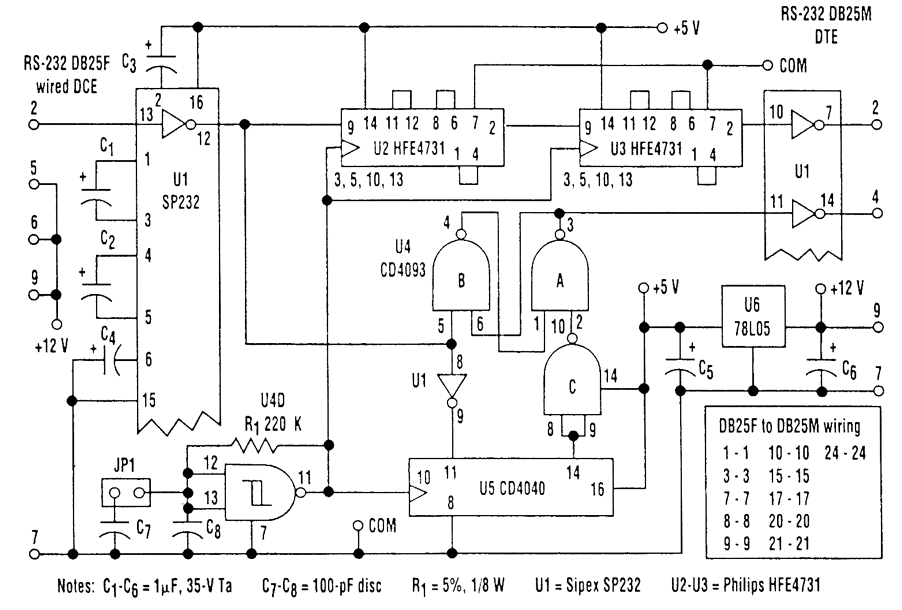
This simple keyer supplies both the RTS control and data delay needed to interface a digital ra-dio with an RS-232, data-only system. It supports speeds to 19.2 kbits/s sync or async.
Reprinted Url Of This Article:
http://www.seekic.com/circuit_diagram/Electrical_Equipment_Circuit/KEY_WIRELESS_RTS_WITH_DATA.html
Print this Page | Comments | Reading(3)
Code: