Published:2009/7/20 20:30:00 Author:Jessie | From:SeekIC

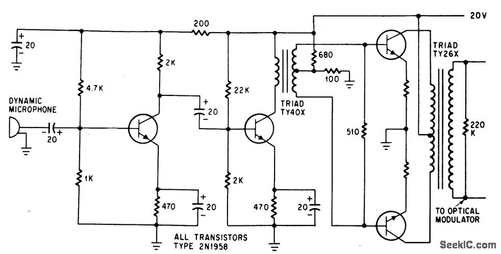
Audio driver delivers 300 v peak. to peak to KDP optical modulator controlling gas laser.-C. J. Peters et al., Laser-Television System Developed With Off-The Shelf Equipment, Electronics, 38:3, p 75-78.
Reprinted Url Of This Article:
http://www.seekic.com/circuit_diagram/Electrical_Equipment_Circuit/LASER_TV.html
Print this Page | Comments | Reading(3)
Code: