Published:2009/6/28 21:39:00 Author:Jessie | From:SeekIC

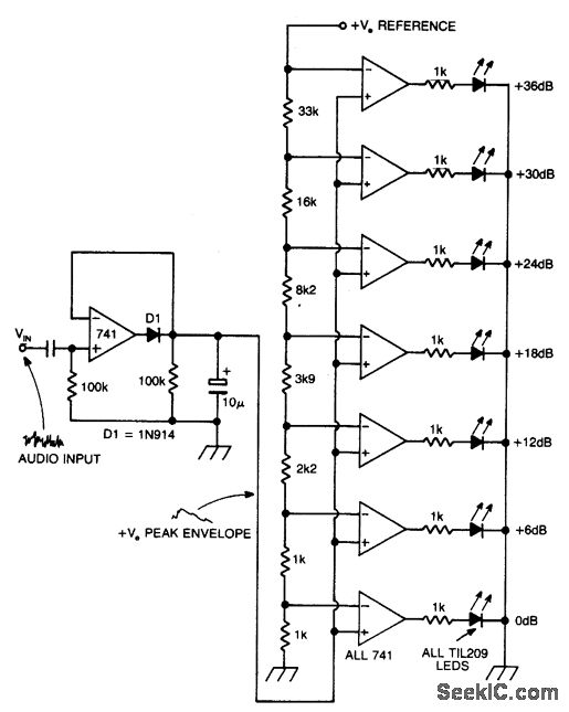
Circuit NotesA bar column of LEDs is arranged so that as the audio signal level increases, more LEDs in the column light up. The LEDs are arranged vertically in 6 dB steps. A fast response time and a one second decay time give an accurate response to transients and a low flicker decay characteristic. On each of the op amps inverting inputs is a dc reference voltage, which increases in 6 dB steps. All noninverting inputs are tied together and connected to the positive peak envelope ofthe audio signal.hus, as this envelope exceeds a particular voltage reference, the op amp output goes high and the LED lights up. Also, all the LEDs below this are illuminated.
Reprinted Url Of This Article:
http://www.seekic.com/circuit_diagram/Electrical_Equipment_Circuit/LED_BAR_PEAK_PROGRAM_METER_DISPLAY_FOR_AUDIO.html
Print this Page | Comments | Reading(3)
Code: