Published:2009/7/21 23:46:00 Author:Jessie | From:SeekIC

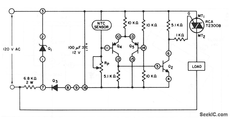
This circuit uses a CA3096 or CA3096A transistor array to control a triac.
Reprinted Url Of This Article:
http://www.seekic.com/circuit_diagram/Electrical_Equipment_Circuit/Line_operated_level_switch.html
Print this Page | Comments | Reading(3)
Code: