Published:2009/7/24 9:16:00 Author:Jessie | From:SeekIC

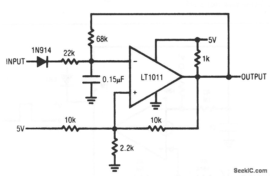
This circuit uses an LT1011 to provide a line-synchronous clock that will not lose lock under very noisy line conditions. The basic RC multivibrator is tuned to free-run near 60 Hz, but the line-derived synchronizing input forces the oscillator to lock to the line. Noise rejection is obtained from the integrator characteristics of the RC network. Linear Technology, Linear Applications Handbook, 1990, p. AN31-12.
Reprinted Url Of This Article:
http://www.seekic.com/circuit_diagram/Electrical_Equipment_Circuit/Line_synchronous_clock_multivibrator_with_high_noise_immunity.html
Print this Page | Comments | Reading(3)
Code: