Published:2009/7/24 8:15:00 Author:Jessie | From:SeekIC

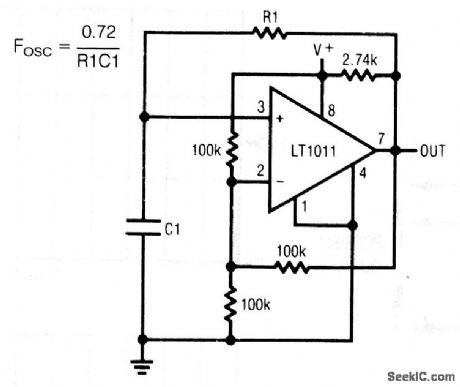
This circuit shows a precision RC oscillator, where the frequency is determined by the equation 0.72/(R1C1). The circuit is particularly useful for frequencies below 3 kHz. For a bipolar ±5-V output swing, refer the ground connection to -5 V. Linear Technology Corporation, Linear Appications Handbook, 1990, p. AN20-11.
Reprinted Url Of This Article:
http://www.seekic.com/circuit_diagram/Electrical_Equipment_Circuit/Low_frequency_precision_RC_oscillator.html
Print this Page | Comments | Reading(3)
Code: