Published:2009/7/23 22:23:00 Author:Jessie | From:SeekIC

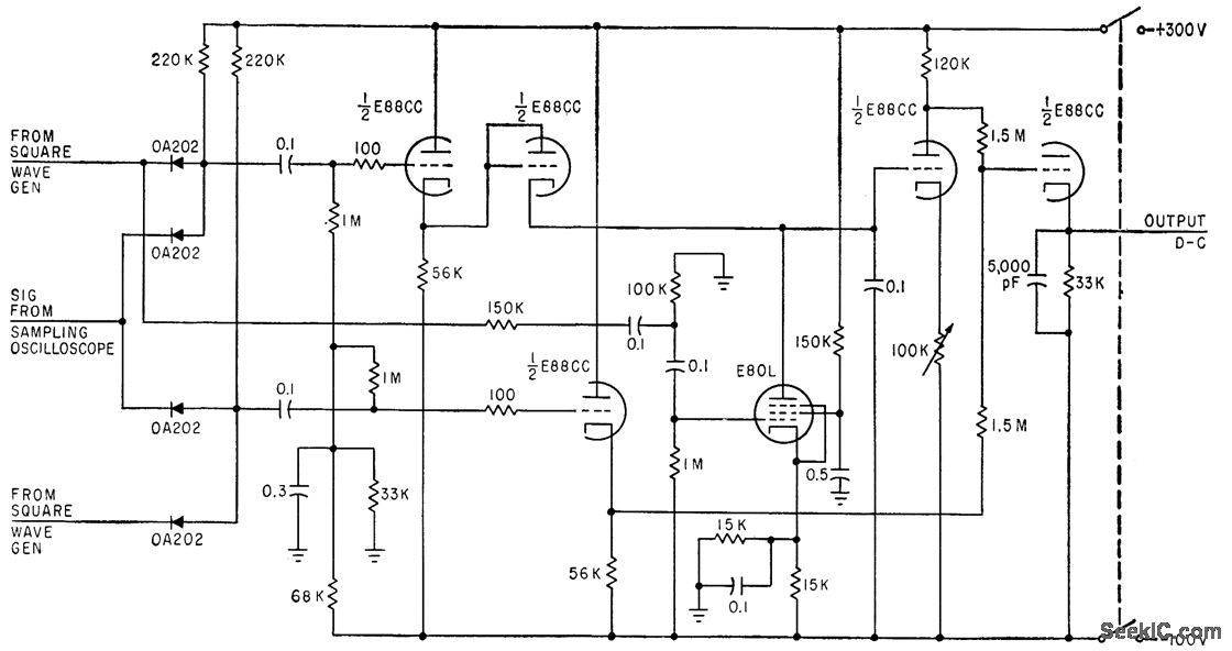
Circuit subtracts one sampled waveform from the next, to reduce noise disturbances by factor of 10 in equipment using strip transmission line for determining polarity reversal time of thin magnetic films to be used as switching elements in computers.-W. Dietrich and W. E. Proebster, Measuring Switching Speed of Magnetic Films, Electronics, 33:23, p 79-81.
Reprinted Url Of This Article:
http://www.seekic.com/circuit_diagram/Electrical_Equipment_Circuit/MAGNETIC_FILM.html
Print this Page | Comments | Reading(3)
Code: