Published:2009/7/23 23:18:00 Author:Jessie | From:SeekIC

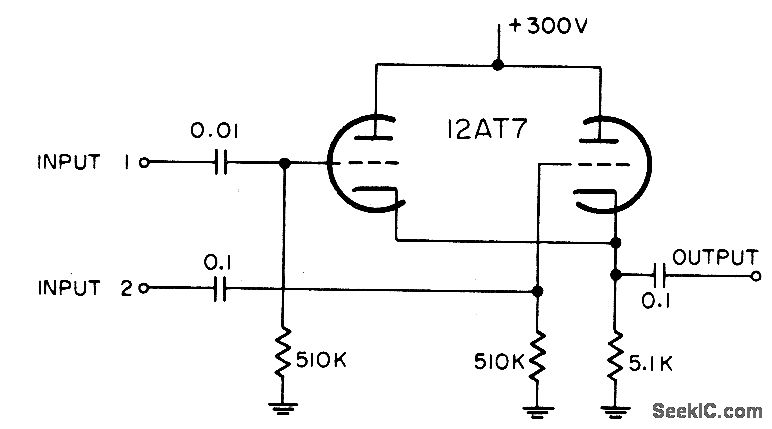
Combines 9-v positive markers with ill signals from 2 to 10 v.-NBS, Handbook Preferred Circuits Navy Aeronautical Electronic Equipment, Vol.1, Electron Tube Circuits, 1963, p N4-2.
Reprinted Url Of This Article:
http://www.seekic.com/circuit_diagram/Electrical_Equipment_Circuit/MARKER_IFF_MIXER.html
Print this Page | Comments | Reading(3)
Code: