Published:2009/7/21 8:19:00 Author:Jessie | From:SeekIC

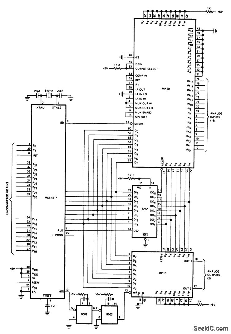
MOS-48 based analog processor. This circuit shows the MP-10 D/A convener and the MP-20 A/D convener connected to the 8748 processor (courtesy Intel Corporation).
Reprinted Url Of This Article:
http://www.seekic.com/circuit_diagram/Electrical_Equipment_Circuit/MOS_48_based_analog_processor.html
Print this Page | Comments | Reading(3)
Code: