Published:2009/7/14 22:04:00 Author:Jessie | From:SeekIC

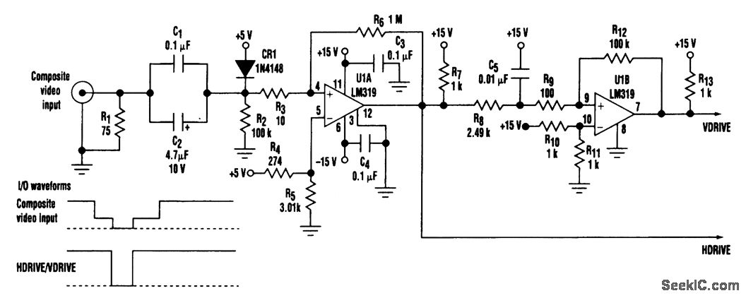
This dual-comparator, multirate video sync stripper provides separate horizontal and vertical pulses that are consistent with the composite video-input-signal sync pulses. Using an LM319 dual-comparator integrated circuit and associated passive components, this circuit can strip horizontal (HSYNC) and vertical (VSYNC) sync pulses from standard RS170 video (525/2:1 interlaced) through an industry high-end video rate of 1280 X 1024/1:1 (noninterlaced). The composite video input signal is ac-coupled through capacitors C1 and C2 to the junction of resistors R2 and R3 and diode CR1. The video sync tips are clamped by CR1 at approximately 4.5 V and applied to noninverting input of comparator U1A (pin 4). Positive feedback from resistors R6 and R3 provides a hysteresis of about l50μV to ensure a stable state change at the output of U1A (pin 12). R8 and C5 constitute a low-pass filter that prevents the filtered amplitude of the horizontal sync pulse from dropping below the threshold volt-age of 7.5 V, established by R10 and R11 for the inverting input of U1B (pin 10). R9 and R12 supply a hysteresis of about 15 mV to the noninverting input of U1B (pin 9). The inherently longer vertical sync pulse width provides sufficient time for U1A (pin l2) to be near ground. As a result C5 is adequately charged Lo exceed the threshold voltage and generate a vertical (VDRIVE) at U1B (pin 7).
Reprinted Url Of This Article:
http://www.seekic.com/circuit_diagram/Electrical_Equipment_Circuit/MULTIRATE_VIDEO_SYNC_STRIPPER.html
Print this Page | Comments | Reading(3)
Code: