Published:2009/7/20 20:47:00 Author:Jessie | From:SeekIC

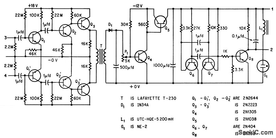
Six-transistor amplifier having high-impedance differential input for commercial eeg or emg electrodes and gain of 10,000 from 5 to 10,000 cps drives modulator Q4-Q5 from decoupling transformer. Modulator makes stimulator (astable mvbr Q6-Q7) apply pulsating voltages to muscles of hand, to make hand open in response to signals picked up by electrodes ovel shoulder muscles, thereby bridging severed arm nerves.-L Vodovnik and W. D. McLeod, Electronic Detours of Broken Nerve paths,Electronics,38:19,p110-116.
Reprinted Url Of This Article:
http://www.seekic.com/circuit_diagram/Electrical_Equipment_Circuit/MYOELECTRIC_STIMULATOR.html
Print this Page | Comments | Reading(3)
Code: