Published:2009/7/22 3:49:00 Author:Jessie | From:SeekIC

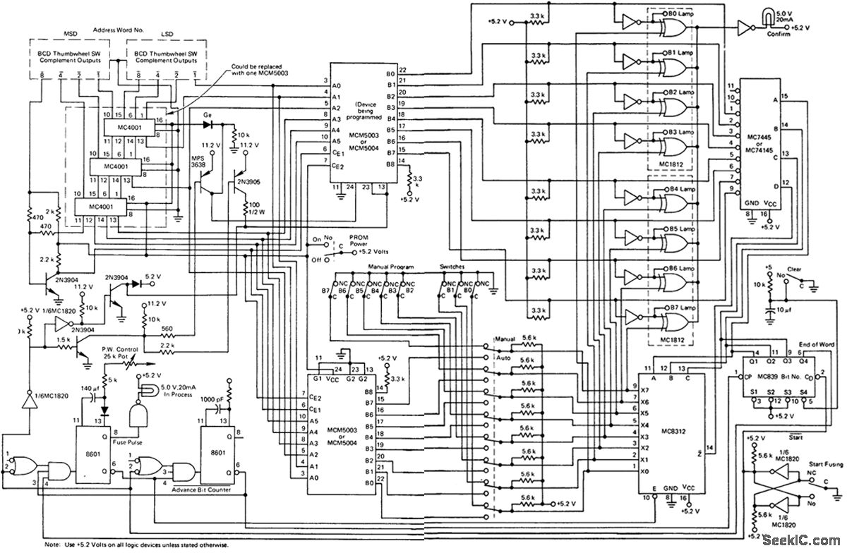
Manual/automatic PROM programmer (courtesy Motorola Semiconductor Products Inc.).
Reprinted Url Of This Article:
http://www.seekic.com/circuit_diagram/Electrical_Equipment_Circuit/Manual_automatic_PROM_programmer.html
Print this Page | Comments | Reading(3)
Code: