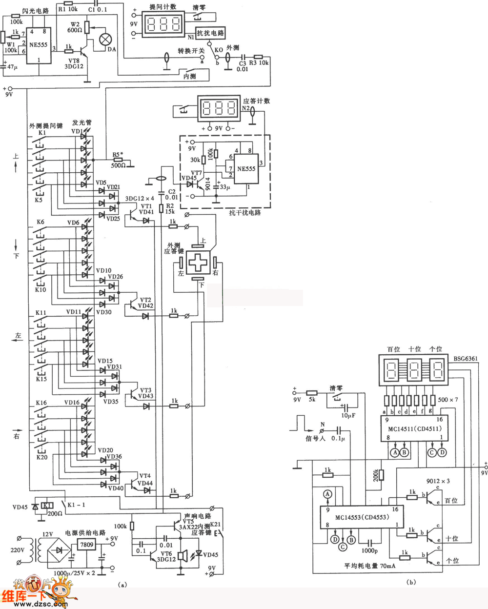
Published:2011/9/14 21:10:00 Author:Rebekka | Keyword: Amblyopia , dual digital display, therapeutic apparatus | From:SeekIC

Reprinted Url Of This Article:
http://www.seekic.com/circuit_diagram/Electrical_Equipment_Circuit/Medical/Amblyopia_dual_digital_display_therapeutic_apparatus_circuit_diagram.html
Print this Page | Comments | Reading(3)
Code: